
|
 |
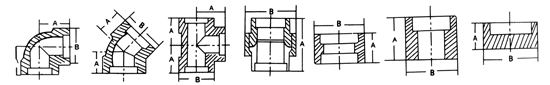
锻制承插、螺纹系列管件 mm ANSI B16.11 JIS B2316 |
| |
|
90。Elbows |
45。Elbows |
| Normal |
OD |
3000TBS |
6000TBS |
3000TBS |
6000TBS |
| Inch |
mm |
A |
B |
A |
B |
A |
B |
A |
B |
| 1/4 |
13_7 |
20_5 |
22 |
24.5 |
26.5 |
22.5 |
34 |
|
|
| 3/8 |
17_2 |
24_5 |
26.5 |
28.5 |
38.5 |
22.5 |
34 |
22 |
33.5 |
| 1/2 |
21.3 |
28.5 |
34 |
38.0 |
46.5 |
22.5 |
34 |
22 |
46.5 |
| 3/4 |
26.7 |
33_5 |
38.5 |
44.5 |
56.5 |
25.5 |
38.5 |
28.5 |
56.5 |
| 1 |
33.4 |
38 |
46.5 |
44.5 |
76.0 |
28.5 |
46.5 |
33.5 |
56.5 |
| 11/4 |
42.2 |
44_5 |
56.5 |
60.5 |
92 |
33.5 |
56.5 |
33.5 |
76.0 |
| 11/2 |
48.3 |
51 |
62.5 |
63.5 |
110 |
38 |
62.5 |
41.5 |
92.0 |
| 2 |
60.3 |
60.5 |
76 |
82.5 |
124.5 |
41.5 |
76 |
50.5 |
|
| 21/2 |
73.0 |
63.5 |
92 |
95.5 |
152 |
50.5 |
92 |
|
|
| 3 |
89.0 |
82.5 |
110 |
114.5 |
|
|
|
|
|
| 4 |
114.5 |
114.5 |
152 |
|
|
|
|
|
|
|
|
TEES |
UNlNOS |
Normal |
0D |
3000TBS
|
6000T8S
|
3000TBS
|
6000TBS
|
Inch |
mm |
A |
B |
A |
B |
A |
B |
A |
B |
1/4 |
13.7 |
20.5 |
22 |
24.5 |
26.5 |
45 |
32 |
51 |
38 |
3/8 |
17.2 |
24.5 |
26.5 |
24.5 |
26.5 |
51 |
38 |
54 |
46 |
1/2 |
21.3 |
28_5 |
34 |
28.5 |
34 |
54 |
46 |
57 |
51 |
3/4 |
26.7 |
33.5 |
38.5 |
38 |
46.5 |
57 |
51 |
64 |
60 |
1 |
33.4 |
38 |
46.5 |
44.5 |
56.5 |
64 |
60 |
72 |
72 |
1 1/4 |
42.2 |
44.5 |
56.5 |
44.5 |
56.5 |
74 |
72 |
80 |
77 |
1 1/2 |
48.3 |
51 |
62.5 |
60.5 |
76 |
80 |
80 |
898 |
94 |
2 |
60.3 |
60.5 |
76 |
63.5 |
92 |
89 |
94 |
11O |
120 |
2 1/2 |
73.0 |
63.5 |
92 |
82.5 |
110 |
|
|
|
|
3 |
89.0 |
82.5 |
110 |
95.5 |
124.5 |
|
|
|
|
4 |
114.5 |
114.5 |
152 |
114.5 |
152 |
|
|
|
|
|
| SH3410-96 GB/T14388 GB/T14626 HGJ10-88 亦可按用户指定标准制作 |
|
 |
|
DG |
DW |
S |
R |
L |
175 |
194 |
6—20 |
450-2500 |
O-180o |
200 |
219 |
7—20 |
500-2500 |
0-180o |
225 |
245 |
7—20 |
550-2500 |
0-180o |
250 |
273 |
8—20 |
550-2500 |
0-180o |
300 |
325 |
8—25 |
600-2500 |
0-180o |
350 |
377 |
8—25 |
700-2500 |
0-180o |
400 |
426 |
10—25 |
800-2500 |
0-180o |
450 |
478 |
12—25 |
900-2500 |
0-180o |
500 |
529 |
12—25 |
1000-2500 |
0-180o |
600 |
630 |
12—25 |
1200-2500 |
O-180o |
700 |
720 |
12—25 |
1400-3500 |
0-180o |
800 |
820 |
12—25 |
1600-4000 |
O-180o |
900 |
920 |
12—25 |
1800-4500 |
0-180o |
1000 |
1020 |
12.25 |
2000-5000 |
0-180o |
|
| 常用弯管规格表 |
 |
|
|
|
|
|